当前位置:
政务公开
>
政府信息公开
>
政府信息公开年报
>
2025年政府信息公开年度报告
>
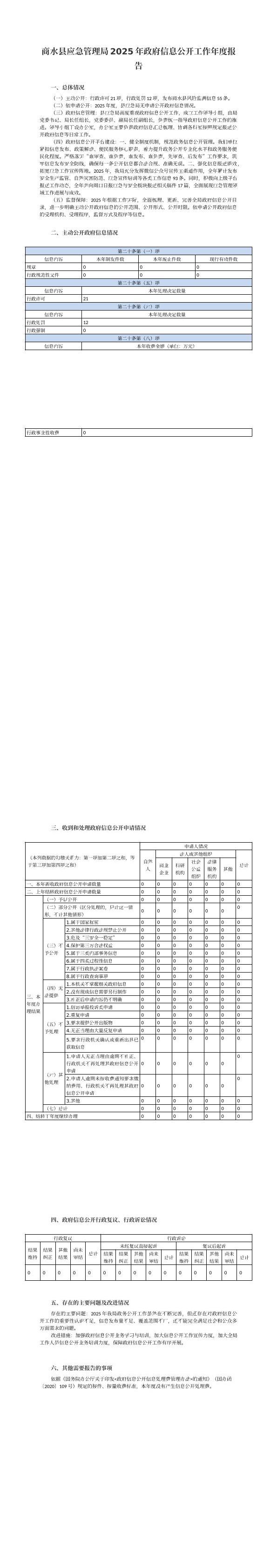
商水县应急管理局2025年政府信息公开工作年度报告
来源: 商水县人民政府
时间: 2026-01-19 11:13:26
访问量:
0
字体大小[
大
中
小
]
打印
分享:
责任编辑:商水县管理员